13.10.2024
В одном из блоков новостей мы рассказывали про многофункциональные СВЧ схемы, реализуемые по SIP технологии, так называемая система в корпусе. По данной технологии реализуется множество схем: частотно задающие устройства, преобразователи частоты, front-end модули и т.д. Многие производители сейчас активно разрабатывают и выпускают продукцию по SIP технологии, о которой мы будем вам активно рассказывать.
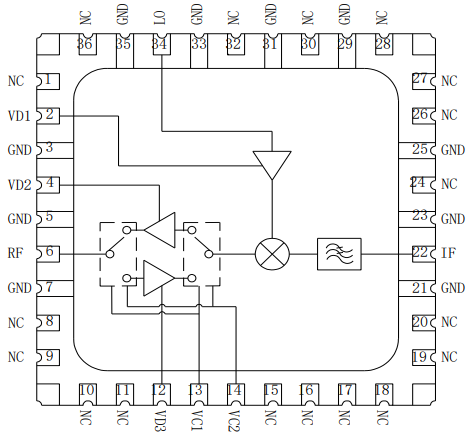
Представляем вам новинку системы в корпусе - многофункциональный преобразователь частоты вверх и вниз со встроенными усилителями и элементами фильтрации FTSIP0618-01A1C. В состав изделия входят:
Двунаправленный усилитель, работающий на прием и передачу;
Пассивный балансный смеситель, преобразующий частоту сигнала;
Усилитель по входу гетеродина для обеспечения работы смесителя и заявленных характеристик;
Фильтр промежуточной частоты для ослабления нежелательных компонентов сигнала на выходе.

Схема многофункционального преобразователя частоты
Отличительными особенностями представленного преобразователя частоты являются:
Частотный диапазон по входу радиочастоты/гетеродина: 6 – 18 ГГц;
Частотный диапазон по ПЧ: 0 – 6 ГГц;
Коэффициент усиления на приём/передачу при преобразовании: 5 дБ;
Выходная мощность при компрессии Ку на 1дБ в режиме передачи: 19 дБм;
Входная мощность при компрессии Ку на 1дБ в режиме приема: 3 дБм;
Собран в корпусе типа QFN с размерами 7.00 мм × 7.00 мм × 1.65 мм.
Ниже представлены частотные характеристики данного изделия.
Параметры приемного канала
Частотная характеристика коэффициента усиления при преобразовании

Частотная характеристика развязки всех портов микросхемы
Параметры передающего канала

Частотная характеристика коэффициента усиления при преобразовании на частоте гетеродина 6 ГГц и 18 ГГц

Частотная характеристика развязки всех портов микросхемы
Данный преобразователь частоты, работающий в диапазоне 6-18 ГГц, имеет широкое применение и может использоваться в следующих областях:
В спутниковой связи: для телевидения, связи между спутниками, и интернета;
В радиолокации;
В системах измерения и диагностики: спектрометры, устройства для контроля качества, радиочастотные анализаторы, радиозондирование атмосферы, измерительные системы для наблюдения за погодными условиями;
В радиотехнических системах разведки;
В системах слежения и навигации.
За дополнительной информацией или запросом продукции отправляйте письмо нам на почту info@m-projects.ru или звоните по номеру +7 (812) 509-39-08.